filtres actifs
modeles analogiques années 60 à 80

Sony Sur-Audio Teac Technics
Threshold Toshiba Urei Van-Amp
Sony TA-4300
3 voies, commutateurs sur le côté, 18db/octave basses - 12db/octave aigus - ajustable à 150, 250, 400, 600 hz & 3, 4, 5, 6.5 khz.
Sony TA-4300F
3 ou 2 voies, avec sortie grave sommée gauche droite pour utilisation d'un seul HP de grave.
Fréquences de coupures:
18 dB/oct
bass: 150 / 250 / 400 / 600 / 800 / 1000 Hertz
treble: 1,5 / 2,5 / 3,5 / 4,5 / 6 / 8kHz
Bass boost: 0 / +3 / +6 / +12 en dessous de 150 Hertz
+18dB at 20Hz
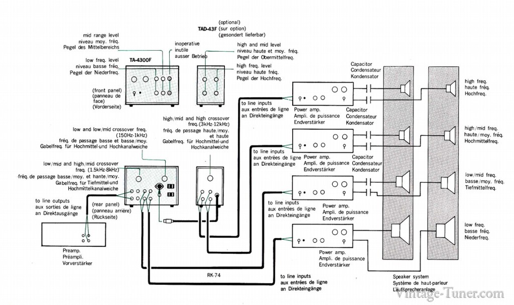
Schéma filtre 3 voies 18db TA-4300F
Sony TA-4300F + TAD-43F
Avec l'option d'ajouter le filtre TAD 43F, l'ensemble avec le TA 4300F deviennent un filtre actif 4 voies 18 dB/oct .
Bass boost: 0 / +3 / +6 / +12 en dessous de 150 Hz + 18dB at 20Hz
Fréquences de coupures du TA 4300F:
bass: 150 / 250 / 400 / 600 / 800 / 1000 Hz
treble: 1,5 / 2,5 / 3,5 / 4,5 / 6 / 8 kHz
Fréquences de coupures passe-bande du TAD 43F Haut médium aigu:
Fc: 3 / 4.5 / 6 / 8 / 10 / 12 khz
Schéma filtre 3 voies 18db TA-4300F avec entrée vers l'adaptateur TAD-43F
Utilsation des filtres TA-4300F et TAD-43F en configuration 4 voies actives
Sony TAD-43F
Fréquences de coupures passe-bande du TAD 43F Haut médium aigu:
Fréquences de coupures: 3 / 4.5 / 6 / 8 / 10 / 12 khz
Sony TA-D88 - 1978-1981
Filter 24 dB/oct Bessel, avec modules de fréquences modifiables et enfichables:
Unit 1:140 Hz, 225Hz, 280Hz
Unit 2:500 Hz, 800Hz, 1kHz
Unit 3:1.25 KhZ, 2kHz, 2.5kHz
Unit 4:5 kHz, 8kHz, 10kHz
Attenuation: -24dB/oct
Weight 7,4
Sony Esprit D900 - 1981-1987
Filtre actif 2 voies à 12, 18 et 24 dB/octave entrées/sorties XLR et cinch, le changement des fréquences se fait par cartes
Sur Audio
Filtre 2 voies 12db/oct
Teac AF-200
Filtre 2/3 voies 12db/oct
Loudness du grave variable en gain et fréquence de 70 à 250hz et de 0 à+8 db
Technics SH-9015C - 1977
Filtre 3 voies 6, 12, 18db/oct
Certainement l'un des filtre actif 3 voies le plus complet. 4 types de coupures en flat, 6,12, 18 db/oct, 10 réglages des fréquences de coupures par voies, inversion des phases et réglage de l'amortissement de 0,33 à 2 aussi bien avec des fréquences en second et/ou troisième ordre.
| Fréquence de coupure | Bande basse coupe haute: 100 Hz à 1 kHz (variable continue) Bande médiane Coupe basse: 100 Hz à 1 kHz (variable continue) Coupe haute: 1 kHz à 10 kHz (variable continue) Bande basse coupe haute: 1 kHz à 10 kHz (variable continue) |
|
| Fréquences de coupures | Bas, haut: -6dB / oct, -12db / oct, -18dB / oct, plat | |
| Caractéristique Q (-12dB / oct, -18dB / oct) | 0,33 ~ 2,0 (variable en continu) | |
| Phase (moyenne, élevée) | 0 °, 180 ° | |
| Réglage du niveau (faible, moyen, élevé) | -8 ~ 0 dB ~ + 6 dB (variable en continu) | |
| Distorsion harmonique totale (à la sortie 1 V) | 0,005% | |
| Rapport SN (IHF-A) | 100 dB | |
| Sensibilité / impédance d'entrée | 1V / 47kO | |
| Tension / impédance de sortie | Estimation: 1V / 600O (niveau VR 0dB) |
Maximum: 5V / 600O (THD 0,02%) |
| Source de courant | AC100V / AC220V, 50Hz / 60Hz | |
| consommation d'énergie | 12 W | |
| Dimensions extérieures | Largeur 450x hauteur 92x profondeur de 370mm | |
| poids | 6,5 kg |
Threshold PCX
2 voies stéréo / 3voies mono 18db/oct, fréquences de coupures modifiables par changement de composants.
Urei 525
18db/oct 3 voies stéréo ou 5 voies mono
Van-Amp
Fabricant General Apparatus Company
Ajustable de 90 à 1100 hertz, tubes 1x6AV6- 1x 12AU7













































































